Мы предлагаем:






















Нефтехимсервис

Продукция

Продукция / Сосуды и аппараты для жидких и газовых сред

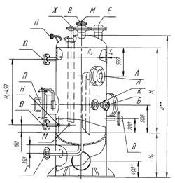
Аппараты типа 2 объемом 2, 4, 6.3, 8, 10, 16, 25, 32, 50, 80, 100 м3

Параметры и размеры аппаратов типа 2

Назад